6 S 41 S / 6 C 41 C
Daten und Bilder
Data and pictures
Donn&eeacute;es et photos

B7A - Septar
Se-
Type
Rath.
RETMA |
7D1
6S33S
-
- |
7D2
6S41S
-
- |
1:
2:
3:
4:
5:
6:
7: |
|
f1
f1
k
a
g
f2
f2 |
|
f
a
k
a
g
a
f |
 |
Diese Daten wurden uns
freundlicherweise von Franz Hamberger
( Link zu seiner Seite auf unserer Linkseite ) zur Verfügung
gestellt.



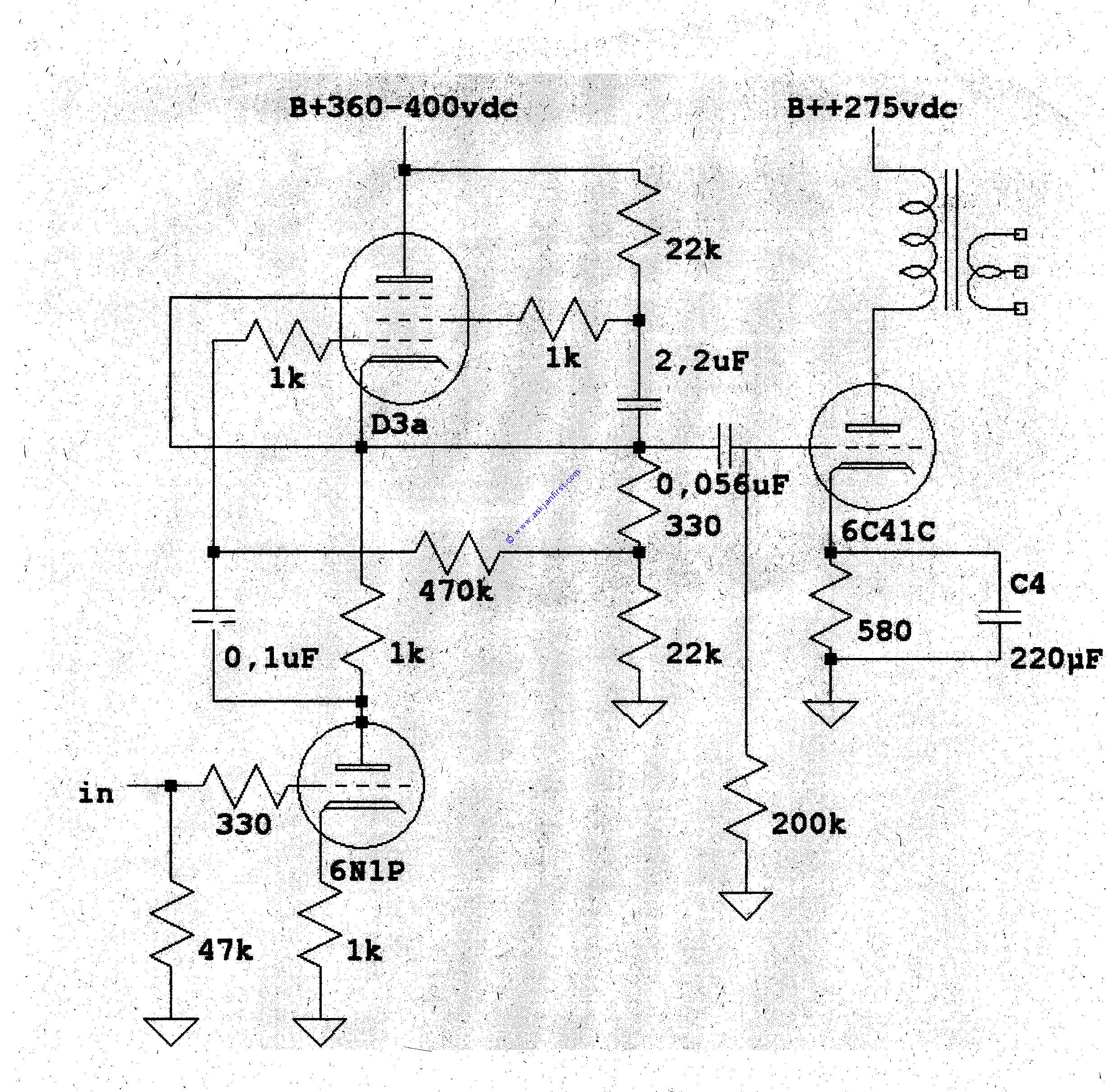
Diese Applikation hat mir mal ein
Kunde gemailt, Copyright: ? Wenn jemand das Copyright für sich
beansprucht, möge er mir bitte mailen.
This application was emailed to me
one day. I have no idea who has the copyright. If it´s you, just
email me.
http://www.die-wuestens.de
hallo.htm
hello.htm
salut.htm